Coordinating cross slide table with a precision-ground cast iron work surface and T-slots for workpiece clamping; ideal for accurate milling and drilling.
| Vice size [mm] | 125 |
| Base size [mm] | 200x270 |
| Table size [mm] | 475x154 |
| Cross travel [mm] | 150 |
| Longitudinal travel [mm] | 320 |
| Vernier [mm] | 0.02 |
| Slot width [mm] | 16 |
| Bolt spacing [mm] | 175 |
| Overall dimensions [mm] | 772 x 440 x 180 |
| Weight [kg] | 28 |

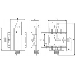
| A | B | C | D | E | F | G | H | I | J |
K |
L |
|
475 [mm] |
154 [mm] |
16 [mm] |
60 [mm] |
128 [mm] |
267 [mm] |
200 [mm] |
162 [mm] |
18 [mm] |
106 [mm] |
110 [mm] |
660 [mm] |
Manufacturer: Cormak

CORMAK JERZY ZALEWSKI
Brzeska 120, 08-110 Siedlce, Poland
phone: +48 501 944 934
export@cormak.pl
phone: +48 609 939 400
export@cormak.pl
phone: +48 609 939 051
export@cormak.pl
phone: +48 609 939 741
export@cormak.pl
Coordinating cross slide table with a precision-ground cast iron work surface and T-slots for workpiece clamping; ideal for accurate milling and drilling.